

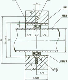
  技術參數:
 剛性防水套管(C型)尺寸表、重量表
| 
             DN  | 
            
             D1  | 
            
             D2  | 
            
             D3  | 
            
             D4  | 
            
             δ  | 
            
             C  | 
            
             重量  | 
        |
| 
             鑄鐵管  | 
            
             球墨鑄鐵管  | 
        |||||||
| 
             75  | 
            
             93  | 
            
             -  | 
            
             115  | 
            
             135  | 
            
             245  | 
            
             12  | 
            
             10  | 
            
             9.25  | 
        
| 
             100  | 
            
             118  | 
            
             118  | 
            
             140  | 
            
             160  | 
            
             270  | 
            
             12  | 
            
             10  | 
            
             10.89  | 
        
| 
             150  | 
            
             169  | 
            
             170  | 
            
             190  | 
            
             220  | 
            
             330  | 
            
             16  | 
            
             12  | 
            
             21.12  | 
        
| 
             200  | 
            
             220  | 
            
             220  | 
            
             240  | 
            
             270  | 
            
             380  | 
            
             16  | 
            
             12  | 
            
             25.91  | 
        
| 
             250  | 
            
             271.6  | 
            
             274  | 
            
             295  | 
            
             325  | 
            
             435  | 
            
             16  | 
            
             12  | 
            
             31.17  | 
        
| 
             300  | 
            
             322.8  | 
            
             326  | 
            
             377  | 
            
             380  | 
            
             500  | 
            
             16  | 
            
             12  | 
            
             37.40  | 
        
| 
             350  | 
            
             374  | 
            
             378  | 
            
             400  | 
            
             435  | 
            
             555  | 
            
             20  | 
            
             16  | 
            
             50.66  | 
        
| 
             400  | 
            
             425.6  | 
            
             429  | 
            
             450  | 
            
             485  | 
            
             605  | 
            
             20  | 
            
             16  | 
            
             56.45  | 
        
| 
             450  | 
            
             476.8  | 
            
             -  | 
            
             500  | 
            
             535  | 
            
             655  | 
            
             20  | 
            
             16  | 
            
             62.24  | 
        
| 
             500  | 
            
             528  | 
            
             532  | 
            
             555  | 
            
             595  | 
            
             735  | 
            
             22  | 
            
             18  | 
            
             81.94  | 
        
| 
             600  | 
            
             630.8  | 
            
             635  | 
            
             660  | 
            
             700  | 
            
             840  | 
            
             22  | 
            
             18  | 
            
             96.27  | 
        
| 
             700  | 
            
             733  | 
            
             738  | 
            
             760  | 
            
             805  | 
            
             945  | 
            
             26  | 
            
             20  | 
            
             126.1  | 
        
| 
             800  | 
            
             836  | 
            
             842  | 
            
             865  | 
            
             910  | 
            
             1050  | 
            
             26  | 
            
             20  | 
            
             142.4  | 
        
| 
             900  | 
            
             939  | 
            
             945  | 
            
             970  | 
            
             1020  | 
            
             1160  | 
            
             28  | 
            
             20  | 
            
             175.3  | 
        
| 
             1000  | 
            
             1041  | 
            
             1048  | 
            
             1075  | 
            
             1125  | 
            
             1265  | 
            
             28  | 
            
             20  | 
            
             193.3  | 
        
| 
             1100  | 
            
             1144  | 
            
             -  | 
            
             1170  | 
            
             1225  | 
            
             1365  | 
            
             30  | 
            
             24  | 
            
             229.4  | 
        
| 
             1200  | 
            
             1246  | 
            
             1255  | 
            
             1280  | 
            
             1335  | 
            
             1475  | 
            
             30  | 
            
             24  | 
            
             250.0  | 
        

 